
0769-82327388
文章來源 : 廣東優科檢測 發表時間:2022-02-16 瀏覽數量:
安規針焰測試是利用模擬技術評定設備內部由于故障條件所造成小火焰的著火危險性。適用于電工電子設備及其部件和元件,亦適用于固體電氣絕緣材料或者其他可燃材料。 廣東優科檢測是具備針焰試驗CNAS測試資質的第三方檢測機構,可提供安規針焰測試服務。

測試標準
GB/T 2693-2001 《電子設備用固定電容器 第1部分 總規范》
IEC60695-2-2《著火危險試驗 第2部分:試驗方法 第2節:針焰試驗》
測試設備要求
針焰試驗機、卡尺、娟紙、松木板
測試樣品范圍
電工電子產品設備,設備組件和部件,也適用于固體絕緣材料或其他可燃材料。
測試環境要求
溫度:15℃~35℃
濕度:25%~75%RH

測試方法
1、先將試樣水平或垂直固定在試樣夾上,點燃火焰并調節火焰高度在12mm±1mm,將本生燈傾斜45°。
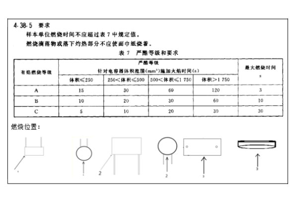
2、根據試樣用卡尺測量出實際體積,按照嚴酷等級和要求確定施加火焰時間。
3、在火焰燃燒點的正下方放上一塊10mm厚松木板,上面覆蓋一張娟紙。
4、按標準要求設置施加火焰時間。
5、進行燃燒后記錄試樣的有焰燃燒時間,并記錄是否有滴落物引燃下面的娟紙。
說明:針焰測試的樣品位置需要按照標準要求進行,測試方法相同。
測試判定
1、測試后樣品有焰燃燒時間不超過規范規定的最大燃燒時間。
2、滴落物不應引燃下方娟紙。

安規針焰測試報告辦理流程
1. 業務咨詢:申請人提供產品資料、圖片及測試要求給我司;
2. 工程報價:根據申請人提供的資料,工程師作出評估,確定測試項目,并向申請方口頭報價;
3. 提供資料:申請方接受口頭報價后,測試樣品提交到我司;
4. 支付款項:收到樣品后向申請方發出書面報價,申請方根據書面報價安排付款;
5. 樣品測試:依照所適用的標準或客戶要求進行產品測試;
6. 出具報告:測試完成實驗室出具測試報告,結案。

為什么選擇廣東優科檢測?
1. 獨立第三方檢測、檢驗和認證之實驗室,我們秉承公正、科學、精確、專業、高效、高品質及創新的服務宗旨竭誠為客戶服務,成為備受全球依賴的合作伙伴。
2. 免費提供工廠檢查輔導,并且每年贈送一份確認檢驗報告。
3. 增值服務:咨詢服務、技術培訓、結構審查、預測試、對策整改。
4. 保險系數大,包案和預測試服務,提高認證成功率,大大降低重測風險和認證成本,免目擊,縮短認證周期。
5. 擁有多家認證機構授權認可,為您提供高效的一站式檢測認證服務。
以上就是關于安規針焰測試哪里可以做的介紹,如果你有產品需要做安規針焰測試、灼熱絲測試、UL94阻燃測試等阻燃性測試,歡迎您來電咨詢廣東優科檢測。

獲取報價
如果您對我司的產品或服務有任何意見或者建議,您可以通過這個渠道給予我們反饋。您的留言我們會盡快回復!

