
0769-82327388
文章來源 : 廣東優科檢測 發表時間:2023-01-10 瀏覽數量:
電子設備用固定電容器CQC認證、TUV認證需要進行高浪涌電流測試,優科檢測認證是專業第三方電容器檢測認證機構,實驗室具備GB/T 2693、IEC/EN 60384標準CNAS全項檢測資質和檢測能力,可提供電容高浪涌電流測試服務,并可出具權威認可的第三方檢測報告。

電子設備用固定電容器 第 1 部分:總規范 GB/T 2693-2001 IEC 60384-1:1999, IEC 60384-1:2016, EN 60384-1:2016 4.39
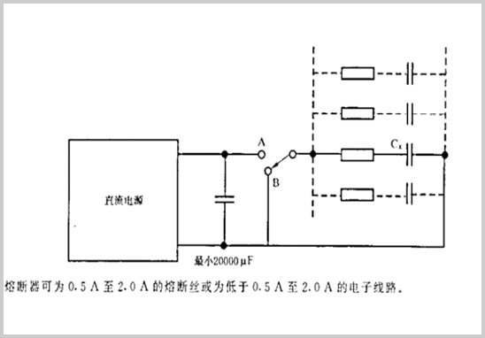
1. 試驗電路
下圖給出了適用的試驗電路,其中開關可為電子的或為機械的,但優先電子的。

2. 試驗電路的校準
應對充電電路進行下述校準:
在每一試驗位置應接入35V、47μF±10%的電容器,應監測被試電容器兩端的電壓,以確定在充電期間電容器兩端的峰值電壓為UR±5%,在開關閉合的60ms內達到測得峰值電壓的90%,并未出現開關回跳或電路電感產生的無用瞬變值。
注:除非包括線圈,熔斷器和夾具在內的充電電路,其直流電阻小于0.5Ω,否則這一要求不可能滿足。
電容器可以并聯進行試驗,只要:
a)被試電容器總電容量小于充電電容器的2%;
b)對于每個被試電容器來說,上述規定的所有條件均應滿足。
當對進行試驗的并聯電容器有規定時,這些要求都應實現。
3. 試驗程序
1)應在23C士3C下進行試驗。
2)開關轉至位置A時,被試電容器將被低阻抗的容量至少達20 000 F的電解電容器充電1s,然后電解電容器應被提供10A的電流的穩壓電源充電達到被試電容器額定電壓(UR)土2%。
3)被試電容器充電1s后,應將開關轉至位置B,使共放電1s。放電電路的電阻為大于0.05Q但小于0.2 Ω.
4)應監測被試電容器兩端電壓,以確定充電期間兩端峰值電壓達UR3%,并最大峰值電壓是在未出現由開關回跳或電路電感引起的瞬態情況下獲得的。
5)對被試電容器的進一步充電和放電應在相同條件下進行。
4. 最終測量
電容器應滿足詳細規范規定的要求。

1. 前期咨詢:提供需委托檢測項目、測試條件或測試標準;
2. 評估報價:根據檢測要求、樣品規格及參數評估報價;
3. 填寫委托書:向優科發起檢測申請,填寫委托書(會有專人指導填寫);
4. 付款及提供樣品資料:按照協定報價支付費用,按要求提供足夠數量的樣品及產品資料;
5. 安排檢測:按委托要求對產品進行檢測;
6. 出具報告:依據檢測數據出具報告,將報告、發票及樣品回寄客戶。

獲取報價
如果您對我司的產品或服務有任何意見或者建議,您可以通過這個渠道給予我們反饋。您的留言我們會盡快回復!

